东莞厚街ABAQUS有限元培训梁的振动模态问题
ABAQUS计算指导9:梁的振动模态问题
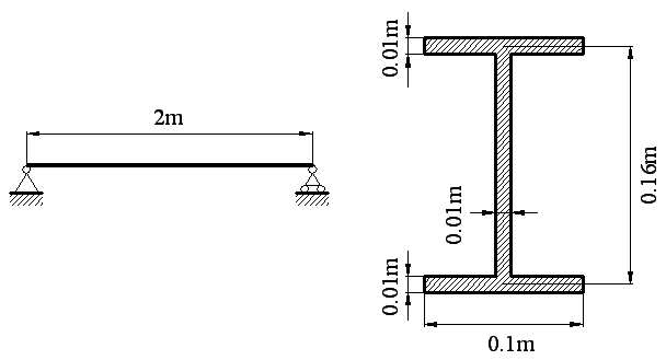
工字形截面梁,用3D壳建模,材料:ρ=7800kg/m3,E=210GPa,ν=0.28,试应用特征值分析方法计算梁的前10阶
固有频率和振型。
一 部件
创建部件,三维、可变形、壳,造梁,命名。
二 性质
1 创建材料:
将材料命名,材料:ρ=7800kg/m3,E=210GPa,ν=0.28,关闭。
2 创建截面:
名为,固体,各向同性,材料名选,关闭。
3 将截面的性质附加到部件上:
选中Part-*,将Section-*信息注入Part-*。
三 组装
创建计算实体,以Part-*为原形,用Dependent方式生成实体。
四 分析步
创建分析步,命名为Step-1,Linear perturbation 线性摄动分析步,frequency 频率分析。
注释:无,Lanczos,时间:不改,Number of Eigenvalues requested Value 10。
Minimum frequency of interest 0;Maximum frequency of interest 1e6。OK。
五 接触
无。
六 载荷
1 施加位移边界条件:
命名,梁的左端下线约束自由度x、y、z。梁的右端下线约束自由度x、y。
2 创建载荷:无。
七 网格
对部件Prat-1、Prat-2分别进行。
1 网格控制:
自由,矩形。
2 单元类型:
标准3D应力。
3 撒种子:
针对部件,全局种子大约间距自己设计。
2 划网格:
针对部件。
八 建立项目
命名为***,选择完整分析,其余不变,OK。
九 观察结果
打开结果文件***.odb,看位移彩图。
在上述过程中不时地将本题的CAE模型保存为***.cae。
命令流
*Heading
** Job name: ExpAbq09 Model name: Model-1
*Preprint, echo=NO, model=NO, history=NO, contact=NO
**
** PARTS
*Part, name=Part-1
*End Part
**
** ASSEMBLY
*Assembly, name=Assembly
*Instance, name=Part-1-1, part=Part-1
*Node
1, 0.05, 0.08, 0.00
5,-0.05, 0.08, 0.00
6, 0.05,-0.08, 0.00
10,-0.05,-0.08, 0.00
11, 0.00,-0.06, 0.00
16, 0.00, 0.06, 0.00
1001, 0.05, 0.08, 2.00
1005,-0.05, 0.08, 2.00
1006, 0.05,-0.08, 2.00
1010,-0.05,-0.08, 2.00
1011, 0.00,-0.06, 2.00
1016, 0.00, 0.06, 2.00
*Ngen, ,Nset=Part1A
1, 5, 1, , , , , , ,
6, 10, 1, , , , , , ,
11, 16, 1, , , , , , ,
*Ngen, ,Nset=Part1B
1001, 1005, 1, , , , , , ,
1006, 1010, 1, , , , , , ,
1011, 1016, 1, , , , , , ,
*Nfill, Nset=Part1
Part1A, Part1B, 50, 20
*Element, type=S4R
1, 1, 2, 22, 21
5, 6, 7, 27, 26
9, 28, 8, 11, 31
10, 31, 11, 12, 32
15, 36, 16, 3, 23
*Elgen, Elset=Part1
1, 4, 1, 1, 50, 20, 15, 1
5, 4, 1, 1, 50, 20, 15, 1
10, 5, 1, 1, 50, 20, 15, 1
9, 50, 20, 15
15, 50, 20, 15
** Section: Section-1
*Shell Section, elset=Part1, material=Material-1
0.01, 5
*End Instance
**
*Nset, nset=Part1A, internal, instance=Part-1-1, generate
6, 10, 1
*Nset, nset=Part1B, internal, instance=Part-1-1, generate
1006,1010, 1
*End Assembly
**
** MATERIALS
*Material, name=Material-1
*Density
7800.,
*Elastic
2.1e+11, 0.28
** ----------------------------------------------------------------
** STEP: Step-1
*Step, name=Step-1, perturbation
*Frequency, eigensolver=Lanczos, acoustic coupling=on, normalization=displacement, number interval=1, bias=1.
10, 0., 1e+06, , ,
** BOUNDARY CONDITIONS
** Name: BC-1 Type: Displacement/Rotation
*Boundary
Part1A, 1, 3
Part1B, 1, 2
** OUTPUT REQUESTS
*Restart, write, frequency=0
** FIELD OUTPUT: F-Output-1
*Output, field, variable=PRESELECT
*End Step
更多培训课程,学习资讯,课程优惠等学校信息,请进入 东莞有道培训中心 网站详细了解,免费咨询电话:18566142676












